MICROSCALE MIGRATION
INTRODUCTION
Microscale Migration is a project developed in various phases, focusing on several energy phenomena related to air currents. The objective of making energy visible using water as the medium has remained constant throughout the process.
This project focusses on analyzing and applying the laws of nature which is responsible for the phenomena.
WORKSHOP
Man Made devices are created by modifying and applying the laws of nature, resulting in the ease of daily activities. The chosen device was a hand held vacuum cleaner. It was disassembled and studied to understand the build and working.

Build of a Vacuum cleaner
Vacuum cleaners work because of Bernoulli’s Principle, which states that as the speed of air increases, the pressure decreases. Air will always flow from a high-pressure area to a low-pressure area, to try to balance out the pressure. A vacuum cleaner has an intake port where air enters and an exhaust port where air exits. A fan inside the vacuum forces air toward the exhaust port at a high speed, which lowers the pressure of the air inside, according to Bernoulli’s Principle. This creates suction – the higher pressure air from outside the vacuum rushes in through the intake port to replace the lower-pressure air. The incoming air carries with it dirt and dust.
PHASE 1
Air currents are concentrated areas of winds. They are mainly due to differences in pressure or temperature in the atmosphere. The global circulation of an atmospheric air current is the result of the Earth’s temperature differences that create air pressure changes. The air and wind currents definition is air moving from high to low pressure areas. Blizzard, Tornado, Cyclones, Hurricanes, Hailstorms are some of the common storms caused due to Air currents.
EXPERIMENT // ITERATION 1
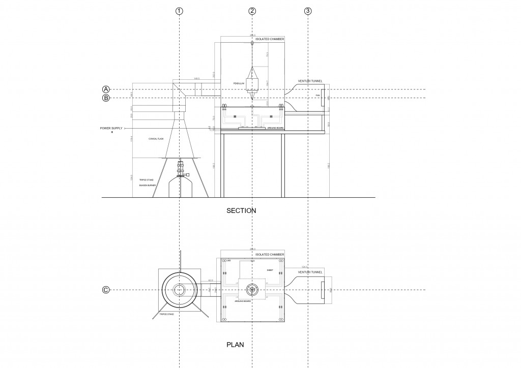
Visualizing energy in an isolated chamber using an ink dropping pendulum and study the movement of the pendulum under different temperature and pressure. The isolated chamber is made of transparent acrylic sheets and the pendulum is suspended from the top. A white square grid is kept on the bottom of the chamber which is used to mark out the pattern of movement of the pendulum in different conditions.

After multiple trials, the Pendulum moved when the inlet of steam was from the bottom and the outlet was on the top, creating cross circulation. With this inference, the iteration 2 was set up.
EXPERIMENT // ITERATION 2
The ideal gas law, also called the general gas equation, is the equation of state of a hypothetical ideal gas. The ideal gas law states that the pressure, temperature, and volume of gas are related to each other.
The pressure of a gas is inversely proportional to its volume when temperature is constant.
The volume of a gas is directly proportional to its temperature when pressure is constant.
The pressure of a gas is directly proportional to its temperature when volume is constant.

Visualizing energy in 3 isolated chambers, connected in series with increasing heights, using steam.
To study –
1. The temperature and humidity attained by the three boxes connected in series.
2. The loss of heat from start to end of the channel.
3. Pressure difference between the larger pipe and the smaller pipe using Venturi effect.

Air currents can be formed by different phenomena such as varying temperature, pressure and salinity. As the hot air/steam travels through the horizontals and the verticals, the loss of energy can be observed.
The complete cycle of water from liquid to gas and back to liquid was observed and the parameters which caused this to happen were identified. The boiling of water, and water evaporating at 100°C , travelling through the pipes and the three isolated box, Condensation due to surface tension and difference in temperature between the inside and outside of the box. We also observed the loss of heat along the passage of steam as the temperature and humidity in the first box was relatively very high compared to the third box.
PHASE 2 – ONE3 HOUSE
The main aim of the second phase was to design a house for a single person for the duration of one year. This house needs to incorporate the energy phenomena from phase 1.
SITE
Different locations around Barcelona which had the potential to amplify these phenomena, were identified. One such location is the stretch along the river Besos merging with the sea. The site has various energies on it like the hot water outlet from the power plant, the dense green stretch from the power plant side towards the shore, the waves and the river itself. The existence of several different species and organisms in this region.

SENSING DEVICE
A mini weather station was designed, suited for our study which would incorporate the sensor. This weather station was designed to hold the sensor, arduino, powerbank and all other support electronics which would be left on the site to get the temperature and humidity values.

The roof of the device, made of polypropylene sheet was placed using magnet connection so that the angle and curvature could be changed easily once we reach the site. It was meant to protect the device from rain and wind damage while not covering it completely so as to obtain accurate values.


GRAPHS // SITE DATA
The readings were taken on two axes. One along the shore and the other through the forest.


The Humidity and temperature readings on the two axis of the site, there was a strange microclimate existing. While walking from Point A to point B, the humidity rose by a 16% and the temperature dropped by 4 degrees. So we decided to intervene on the complete line of 330 meters instead of picking a single location for the One cube house. When we took the device back after the reading time was complete, we noticed that there was a lot of condensation that had happened on the roof of the device. This was something to keep in mind while designing the house.
ITERATION // CRITICAL POINTS


ITERATION // STRUCTURE
Several structural iterations were made using plywood with CNC fabrication techniques.

DESIGN // ONE CUBE HOUSE
There was a requirement of a base structure that would run along the entire stretch and the person living would migrate simply from one location to the other along the stretch according to the temperature and humidity values on it.

The spaces needed for the person to live there for a year were identified. We zoned the 330 meter stretch based on 3 climates – summer, winter and spring. The average values for these three months respectively – August, January and April were mapped. Then the living area, bathing area, cooking, research, sleeping areas were zoned according to the ambient temperature and humidity needed in them.

Since there are no perfect spots on the stretch to live there naturally, first we identified the issues.
- Humidity is never dropping below 70% and the required humidity for living is 60%.
- In summers, there is a spot where the temperature is ambient, but again , humidity is an issue.
- In winters and springs, the temperature is too low to live naturally, and there is the problem of added humidity, so some intervention is required.
What to do with all this excessive humidity? How to use it in the most efficient way?
One solution was to introduce humidity barriers along the line which would collect dew and water from the air and harvest it. Another solution was to make spaces which could transform in volume as per the need. When the temperature or humidity exceeds a given point , the structure could expand, accommodating space for more air circulation.
In these structural iterations, we have identified different modules which could be placed on the stretch and the skin and floor plates for these modules.
Microscale Migration 2021 is a project of IAAC, Institute for Advanced Architecture of Catalonia developed in the Masters of Advanced Architecture 2020/21 by Students: Abrar Ali, Jihad Al Ojaili and Prarthana Sudhindra and Faculty Edouard Cabay, Peter Magnus and Stefana Zapuc.